경희대학교 김정욱 교수님의 컴퓨터 구조 수업을 기반으로 정리한 글입니다.
3. Control Hazards
Problem
Control Hazard는 branch hazard라고도 하며, Data Hazard와 마찬가지로 pipeline시 발생하는 문제이다.
즉, branch할 때 pipeline에서 발생하는 hazard가 control hazard이다.

▶ Control hazard
beq 조건 만족시 44, 48, 52줄의 instruction은 필요없게 된다.
하지만, 이때 pipeline시 조건을 만족하면 문제가 발생한다. (조건을 만족하지 않으면 문제가 발생하지 않는다.)
EX/MEM의 Zero signal에 기반하여, MEM/WB의 결과값인 branch or not (PC + 4)로 branch 여부가 결정된다.
브랜치 조건 만족시 and, or, add 신호 (나머지 신호)는 어떻게 될까?
정답은 버리면 된다. (no operation)
beq 만족 시 수행하면 안 되는 것이기에 값을 버리지 않고 그대로 가져갈 수 없다.
pipeline이 아닌, single cycle의 경우 조건 만족하지 않으면 그대로 가면 되고,
조건 만족하면 branch 주소로 이동해 instruction을 수행하면 되기에 아무런 문제가 되지 않는다.
Solution
Solution 1: Stall until branch direction is clear
- branch direction이 확실해질 때까지 Stall하는 방법이다.
이 방법은 가장 naive한 방법으로 매우 느리기에 pipelineing의 의미가 사라진다.
Solution 2: Predict branch not taken
- 이미 계산된 PC + 4를 다음 instruction으로 예측하여 그대로 가는 방법이다.
- 그러나, 만약 branch가 taken되면 PC + 4 instruction은 버려져야 한다. (no operation)
not taken: branch X
branch not taken으로 그냥 찍고, 이미 결정난 PC + 4로 그대로 가는 것이다.
※ Branch (beq)에서 평균적으로 not taken이 47%, taken이 53%이다.
Solution 3: Predict branch taken
- branch address의 instruction으로 예측하여 branch하는 방법이다.
- 그러나, 만약 branch가 not taken되면 branch address instruction은 버려져야 한다. (no operation)
taken: branch O
branch taken으로 그냥 찍고, branch address로 가는 것이다.
※ Solution 1 < Solution 2 < Solution 3, 이 세가지 Solution들은 모두 naive한 방법이다.
Solution 4: Execute both paths
- 2개의 CPU로 2개의 path 모두 실행한 후 후에 선택하 방법이다.
- 2개의 path: not taken (PC + 4) / taken (branch)
이 방법은 가장 돈이, 즉 CPU 자원이 많이 든다. (CPU 자원이 충분할 때 사용할 수 있는 Solution)
beq가 많을 경우 현실적으로 좋은 Solution은 아니다.
Solution 5: Delay of branches
- branch의 결과가 나올 때까지 (3 cycle) branch와 관련 없는 instruction을 수행하는 방법이다. (Reordering)
- delay하는 동안 nop instruction을 삽입한다.
가장 현명한 방법이다.

▶ Define branch to take place after a following instruction
Predict Solution의 경우 결과를 알 수 없기에 찍는 방식을 택한 것인데,
이에 반해 Reordering 방법은 결과를 알 수 있게 만든다.
이 Solution도 load-use data hazard 문제의 reordering solution과 마찬가지로,
datapath가 아닌 compiler에서 해결하는 방법이다.
위 예시에, reordering 할 수 있는 nop instruction은 3개까지만 가능하다.
만약 4개이면 'add $10, $2, $3'도 포함하게 되는데, 이는 branch와 관련이 있기에 branch할 경우 버려져 연산을 하다 만 것이 되기에 문제가 된다.
Example) Predict: branch is not taken -> 정답: taken

▶ 예시

▶ Reducing Branch Delay 1
not taken으로 찍었기 때문에 '40 beq' 다음 PC + 4인 '44 and'를 Fetch 한다.
그렇게 not taken으로 가다가 beq가 EX 된 후, taken으로 되어야 한다는 것을 알아차리면
다음 cycle에는 branch instrucion을 수행하도록 전달한다.
하지만, 이 경우에도 taken을 EX 단계에서 zero signal에 의해 늦게 알아차리게 되니,
두 번이나 쉬어야 한다는 문제가 있다. (이때, 한 cycle이 아니라 한 번이니 주의할 것)
※ IF -> ID -> EX -> MEM -> WB
※ 빨간색 X: no operation 해 값을 비워 버리면 된다. (Flush: 값을 0으로 초기화 함.)

▶ Reducing Branch Delay 2
이 경우 두 번 쉬어야 하는 문제를 1번만 쉬는 거로 개선한다.
방법은 EX 단계 말고 ID 단계에서 미리 알아차릴 수 있도록 하는 것이다.
EX 단계의 같은지 다른지 비교하는 연산(빼기)을 앞에다 위치시켜 zero signal을 앞에서 띄워줄 수 있도록 한다.
또한, Register의 Target Address를 계산하는 부분도 앞에다 위치시킨다. (앞에다 위치시켜도 문제되지 않음.)
-> Zero, ALU result를 output으로 내보내는 Add를 기존 EX 단계에서 ID 단계로 옮긴다.
※ Recognizing 할 때 not taken이 정답일 경우엔 그냥 가면 된다.

▶ Example - Reducing Branch Delay 2 실제 회로
Target Address Adder와 Register Comparator (비교기)를 ID 단계 옮긴다.

▶ The result: $1 and $3 are equal -> single bubble or nop
Dynamic Branch Prediction
과거의 값들을 보고 Branch 여부에 대해 좀 더 현명하게 예측하여 최소한으로 실패하자
Look up the address
이전 instruction들의 branch 여부를 본다. (history -> future)

▶ for문 -> 계속 branch (예시)
과거에도 branch 했으니 계속 branch를 할 것이라 예측하는 것이다.
Branch prediction buffer (1-bit)
- Save previous result: branch taken (1) branch not taken (0)
※ 1-bit: 바로 한 개 이전 기억만 저장
Shortcomings (in Nested Loop, 단점)
- Inner loop가 계속 branch taken (1) 되다가 어느 순간 빠져나올 때, 한 번의 miss -> 이때 branch not taken (0) 으로 변경
- 하지만 이때, outer loop가 실행이 되면 branch taken (1) 해야 하는데 branch not taken (0) 으로 되어 있어서 추가적인 miss
즉, Nested Loop에서 한 번 틀리면 한 번 더 틀리는 2번의 연속적인 miss가 발생할 수 있다.

▶ branch prediction buffer (1-bit)
Branch prediction buffer (2-bits)
- 버퍼를 2개로 늘려 2번 연달아 예측이 틀려야 상태가 바뀌도록 함 (완충 역할)
※ branch prediction buffer은 1-bit 보다 2-bit가 더 많이 사용된다.

▶ branch prediction buffer (2-bit)
※ 시작점은 파란색 or 빨간색 둘 중 하나이다.
※ 3-bits일 경우, 좀 더 좋을 수 있다. 물론, 2중 for문의 경우 2-bits로 충분히 커버가 가능하다.
1-bit predictor vs. 2-bits predictor

▶ 예시
※ 1-bit prediction의 정답 예측 비율이 50% 정도라면 사실상 그냥 찍는 것과 다를 바 없다.
Exception
Exception
- 프로그램 실행을 방해하는 unscheduled event
- ⓛ Execution of an undefined instruction ② Arithmetic overflow

▶ Internal - Exception / External - Interrupt
control hazard 관점에서 Exception (예외 상황)이 발생하면 문제를 해결해 주는 곳으로 갔다가 돌아와야 한다.
다음 instruction에 대해서는 해결이 될 때까 쉬어야 한다.
때문에, Exception을 다루는 것도 control hazard의 일종이다.
Handling Exceptions in MIPS
Procedure
1. 문제가 생긴 instruction의 address(PC + 4)를 Exception Program Counter (EPC)에 저장
- EPC: 예외 처리 후 돌아올 위치를 저장하는 32-bit register
2. exception의 원인을 Cause Register에 저장
- Cause Register: exception의 원인을 기록하는 32-bit register
- 원인: undefined instruction -> 10 / arithmetic overflow -> 12
3. Jump to handler를 통해 Handler가 처리할 수 있도록 제어권을 넘기기

▶ Exception type에 따른 Address of Handler
Handling Exceptions in Pipeline
add $1, $2, $1
▶ 예시) Suppose overflow on add instruction in EX stage (ALU)
Procedure
1. overflow된 값이 $s1에 저장되는 것을 막기
2. Complete previous instructions
3. add instruction부터는 pipeline에서 Flush (비우다) -> EX.Flush
4. Exception Program Counter (EPC), Cause Register 설정
5. Jump to overflow handler (8000 0180)
handling 하여 문제를 해결한 이후엔 EPC에 저장한 PC + 4 값을 가지고 돌아와 이어서 flush 한 instrucion을 수행한다.
※ 2, 3은 동시에 이루어진다.

▶ datapath with controls to handle exceptions
EX 단계의 ALU에서 overflow가 detect 된다.
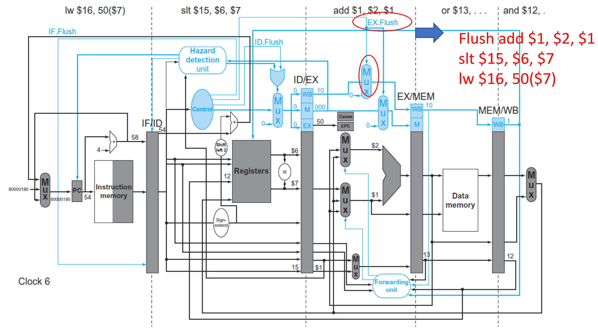
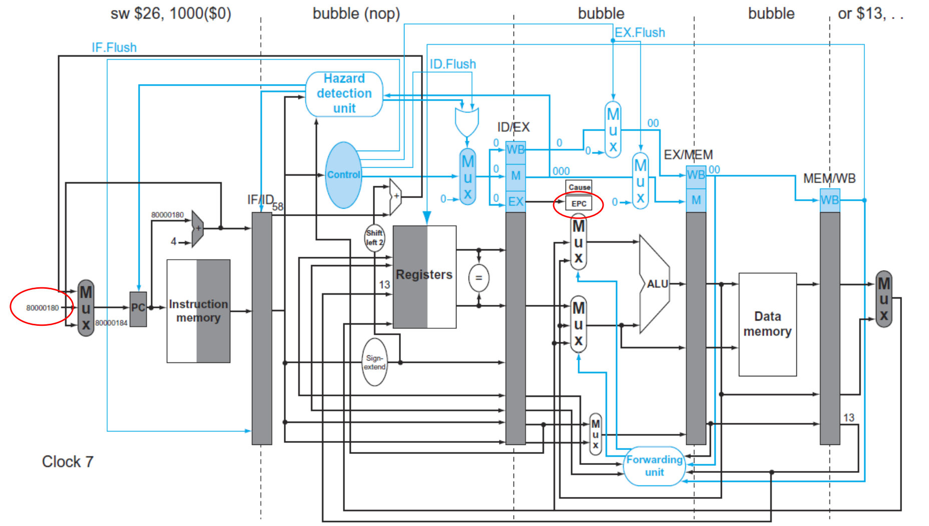
Handling Exceptions in Pipeline (Example)

▶ Suppose overflow on add instruction in EX stage (ALU)
Procedure
1. In clock cycle (CC) 6, EX stage (ALU)에서 $2와 $1 add operation 수행
2. 수행하는 단계에서 overflow 감지 -> 8000 0180이 PC에 강제 저장 (forced)
3. In clock cycle (CC) 7, add instruction을 포함한 이후 명령어들은 flushed
4. exception code의 첫 번째 instruction fetched
5. 문제 발생 다음 instruction (Address 50)은 EPC에 saved

▶ Procedure 1, 2

▶ Procedure 3 ~ 5
Concluding Remarks
Instruction Set Architecture (ISA) influences design of datapath and control
Datapath and control influences design of ISA
Pipeline
- Pipelining was presented as reducing the clock cycle time of the simple single-cycle datapath
Hazards
- Structure hazards, data hazards, control hazards
'CS > 컴퓨터구조' 카테고리의 다른 글
| Lecture 18: Memory Hierarchy - 2 (1) | 2024.12.15 |
|---|---|
| Lecture 17: Memory Hierarchy - 1 (0) | 2024.12.07 |
| Lecture 15: The Processor - 4 (0) | 2024.12.03 |
| Lecture 14: The Processor - 3 (1) | 2024.12.01 |
| Lecture 13: The Processor - 2 (0) | 2024.11.29 |